Înregistrare
Intră în cont
Acasă
Termeni şi condiţii
Condiţii de livrare
Despre noi
Cum cumpăr
Contact
Confidențialitate
COSUL MEU
0
Facebook
Google+
Înapoi la rezultatele căutării
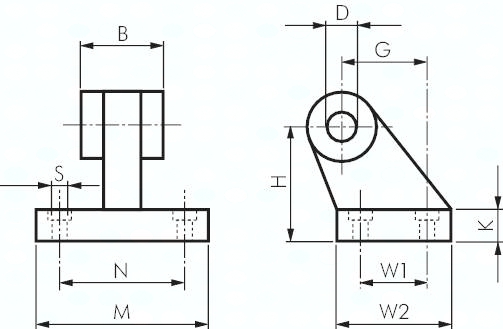
ISO 15552-90°-Laschenschwenk- befestigung 50 mm, 1.4401
TD 50 ES
La comandă!
TD50ES ISO 15552-90°-Laschenschwenk- befestigung 50 mm, 1.4401
2.959,58 RON
Prețul conține TVA!
Documente ataşate
Katalogseite Pneumatik Atlas 8 (Seite 783_n)
Genuine part of:
Va rugam asteptati