TL 100

La comandă!

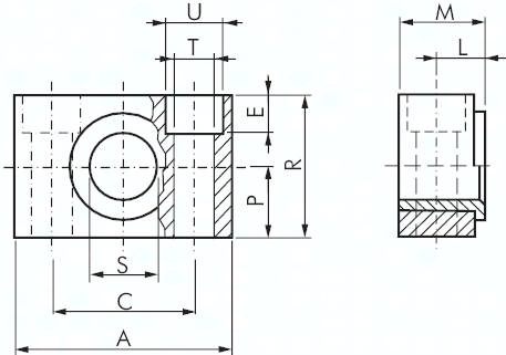
Werkstoffe: Lagerbuchse: Bronze gesintert (Typ 1.4401: PTFE) Lieferumfang: 2 Lagerböcke

980,51 RON

Prețul conține TVA!