TL 100 ES

La comandă!

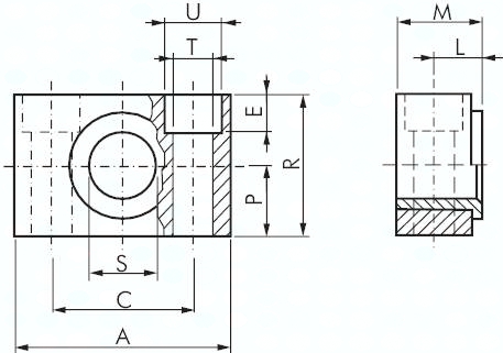
Werkstoffe: Lagerbuchse: Bronze gesintert (Typ 1.4401: PTFE) Lieferumfang: 2 Lagerböcke

10.463,20 RON

Prețul conține TVA!