TL 40/50 ES

La comandă!

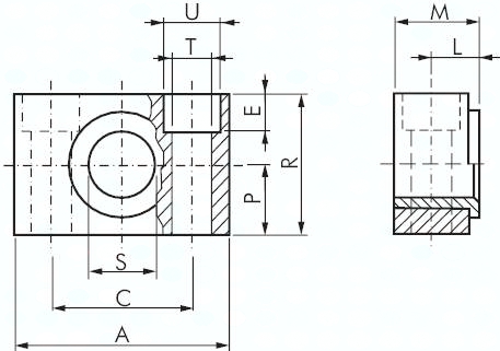
Werkstoffe: Lagerbuchse: Bronze gesintert (Typ 1.4401: PTFE) Lieferumfang: 2 Lagerböcke

3.165,38 RON

Prețul conține TVA!