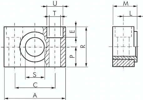
TL 63/80

La comandă!

Werkstoffe: Lagerbuchse: Bronze gesintert (Typ 1.4401: PTFE) Lieferumfang: 2 Lagerböcke

850,22 RON

Prețul conține TVA!